Označení na lanovodu HL770 (délka bovdenu v mm)
- Originální AL-KO Profi Longlife brzdové lano pro kolové brzdové jednotky AL-KO 1636G, 1637, 2051 a 2361 (používané na nápravách AL-KO např. B700-5, B850, B1200, B1600, B1800, BS 1500, BS1800).
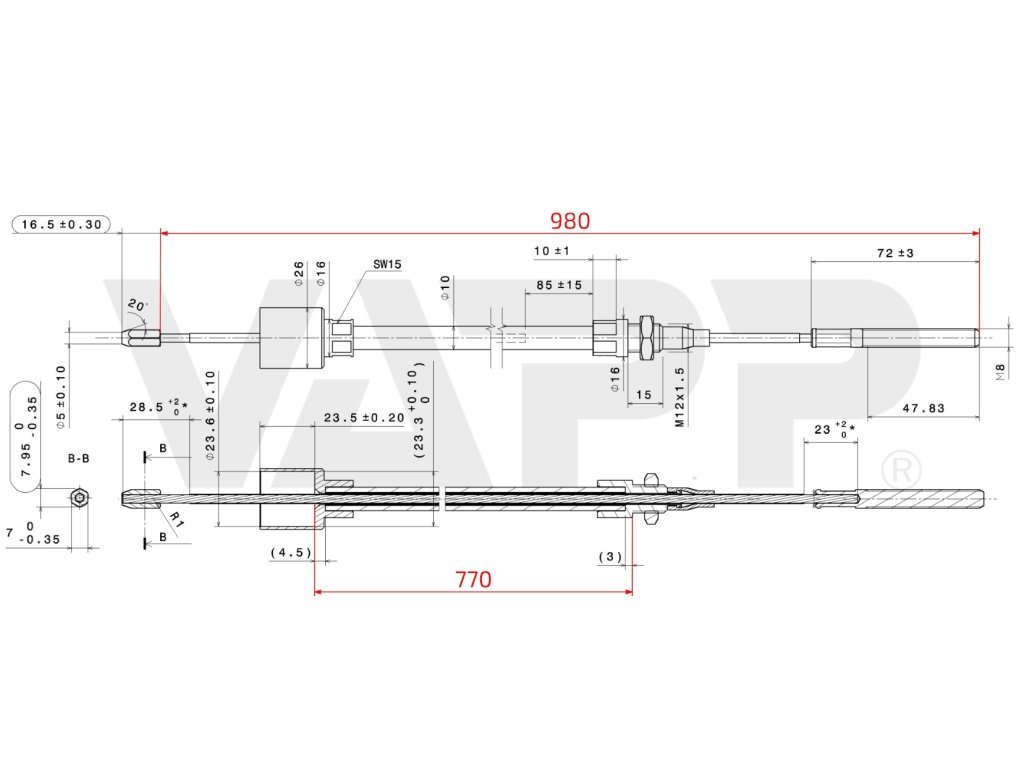
- Zakončení lana závitem M8 na straně pro namontování do vahadel umožňuje přesné nastavení vahadel v případech, kdy je měněno pouze jedno lano a stará lana mají mírně odlišnou délku.
- Pro zajištění lana ve vahadle je nutné použít kulovou matici M8 obj. č. 15021 zajištěnou samojistnou kontramaticí M8 obj. č. 150023. Matice nejsou součástí lana, objednávají se samostatně.
- Na straně připojení do kolové brzdové jednotky je lanko zakončeno zátiskem pro zavléknutí do spojky lanovod rozpěrka. Spojka lanovod - rozpěrka je součástí kolové brzdové jednotky. Lze ji objednat také samostatně pod obj. č. 70051.
- Upozornění: U brzdových systému se zanedbanou pravidelnou údržbou se v některých případech může jevit spojka lanovod - rozpěrka jako nalisovaná na laně. Je to způsobeno korozí spojky v místě závleku zátisku. Spojku lze zpravidla vždy uvolnit a použít. Postrádá však již původní antikorozní ochranu.
- Nátrubek pro nasazení na vývod z kolové jednotky má vnitřní průměr 23 mm.
- UPOZORNĚNÍ: Na trhu se objevují neoriginální napodobeniny lanovodů AL-KO Profi Longlife. Tyto napodobeniny mají odlišnou vnitřní konstrukci a použité materiály. V řadě případů se snaží napodobit vzhled a názvvy originálních AL-KO Profi Longlife lanovodů. Veškeré závady brzdového systému vzniklé použitím neoriginálních napodobenin lanovodů jsou vyloučeny ze záruky.
- Lanko je potaženo polyamidem PA12 a uloženo v další PVC vložce uvnitř opletu. Tím je dosaženo vyšší kluznosti a až o 5 % vyšší účinnosti v celém rozsahu pracovních teplot oproti lanovodům standardní konstrukce.
- Materiál PA12 je extrémně odolný vůči slané vodě a dalším látkám a má sníženou tendenci k tvorbě trhlin způsobených napětí. PA12 má nejnižší absorbci vody mezi polyamidy, čímž velmi stabilní i ve vlhkém prostředí.
- Ústí lanka je chráněno přesně padnoucí elastomerovou průchodkou, která účinně brání vnikání vody a nečistot dovnitř lanovodu.
- Originální AL-KO Profi Longlife lanovody vynikají dlouhou životností a jsou zárukou správné funkce, rychlých reakcí a vysoké účinnosti brzdového sytému AL-KO.
- Díky unikátní konstrukci v kombinaci s vhodně zvolenými materály a důsledně kontrolovaným výrobním procesem jsou originální AL-KO Profi Longlife lanovody jednoznačně nejlepší volbou pro bezproblémový chod brzdových systémů AL-KO.
- Pro nápravy AL-KO s šestihrannou nápravnicí doporučujeme pro další prodloužení životnosti a snížení třecího odporu použít opěrné držáky lanovodů obj. č. 110227, 110228 nebo 110229.
Doporučené délky lanovodů AL-KO
| Jednonápravový přívěs |
|
| celková šíře nápravy "c" (mm) |
délka bovdenu (mm) |
| do 940 |
350 |
| 940 až 1260 |
530 |
| 1260 až 1680 |
770 |
| 1680 až 1880 |
890 |
| 1880 až 2100 |
1020 |
| 2100 až 2340 |
1130 |
| Přední náprava dvounápravového přívěsu |
|
| celková šíře nápravy "c" (mm) |
délka bovdenu (mm) |
| do 1100 |
350 |
| 1100 až 1430 |
530 |
| 1430 až 1850 |
770 |
| 1850 až 2050 |
890 |
| 2050 až 2270 |
1020 |
| 2270 až 2510 |
1130 |
Zadní náprava dvounápravového přívěsu (do rozvoru 700 mm)
|
|
| celková šíře nápravy "c" (mm) |
délka bovdenu (mm) |
| do 1620 |
1130 |
| 1620 až 2020 |
1320 |
| 2020 až 2360 |
1430 |
| 2360 až 2720 |
1620 |
| nad 2720 |
1790 |
Zadní náprava dvounápravového přívěsu (rozvor nad 700 mm)
|
|
| celková šíře nápravy "c" (mm) |
délka bovdenu (mm) |
| do 1470 |
1130 |
| 1470 až 1870 |
1320 |
| 1870 až 2210 |
1430 |
| 2210 až 2570 |
1620 |
| nad 2570 |
1790 |
Při nestandardním rozvoru je nutné zohlednit větší vzdálenost náprav při výběru zadních lanovodů. Výrobce přívěsu může z konstrukčních důvodů osadit jiné než doporučené délky lanovodů.
Postup zapojení lanovodu do kolové brzdové jednotky



||| Kompatibilní s ETI: 811001, 811002, 811003, 811134, 811135, 811159, 811204, 811213, 811222, 811225, 811237, 811308, 811945, 811946, 811974, 812026, 812028, 812029, 811166, 811167, 811168, 811169, 811253 |||