Držák rezervy pro kola s roztečí 100x4, montáž na jekl horizontálně
Kód: 110326Detailní popis produktu
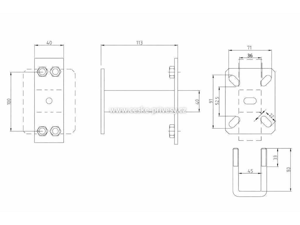
- Držák slouží k uchycení rezervního kola ve vodorovné poloze na jeklový profil šíře 35 až 70 mm, třmeny pro uchycení nejsou součástí dodávky.
- Kompatibilní třmeny naleznete níže v souvisejícím zboží.
- Držák je určený pro kolový úchyt 100x4 (čtyřděrový úchyt, osová rozteč kolových šroubů měřená přes střed kola je 100 mm)
- Oválné otvory v držáku umožňují uchycení držáku třmeny o vnitřní šířce 36 mm až 70 mm
- Pozor! Držák je nutné montovat tak, aby bylo kolo upevněno v poloze horizontální. Výrobek není určen pro montáž kola do vertikální polohy.
- Pro maximální šíři pneu 165 mm při zálisu disku IS(ET) 30. Při vyšším zálisu disku rezervního kola se úměrně snižuje maximální možná šíře pneu
- Držák je dodáván včetně dvou kolových šroubů M12x1,5 s kuželovou dosedací plochou. V případě disku s kulovými dosedacími plochami je rádi nahradíme šrouby M12x1,5 s kulovou dosedací plochou - v takovém případě požadavek uveďte do poznámky objednávky.
Diskuze
Buďte první, kdo napíše příspěvek k této položce.
